본 포스팅에서는 대표적인 측정 도구 마이크로 미터에 대해서 알아보자.
1. 마이크로미터란?
마이크로미터는 대상 물체를 끼워 그 크기를 측정하는 공구이다. 기종에 따라 1 µm 단위까지 측정도 가능하다.
버니어 캘리퍼스와 달리 「아베의 원리」를 따르기 때문에 더 정확한 측정이 가능하다.
일반적으로 마이크로미터라고 하면 외측 마이크로미터를 말한다. 그 외에 내측 마이크로미터나 3점식 내측 마이크로미터, 막대형 마이크로미터, 깊이 마이크로미터 등 측정 용도에 따라 여러 가지 타입이 있다. 또한, 프레임의 크기에 따라 측정 가능한 범위는 0~25 mm, 25~50 mm와 같이 25 mm씩 달라지기 때문에 대상 물체와 맞는 것을 사용해야 한다.

*아베의 원리
아베의 원리란 「측정 정도를 높이기 위해서는 측정 대상 물체와 측정 기구의 눈금을 측정 방향의 동일선 상에 배치해야 한다」는 것이다 .마이크로미터의 경우 눈금과 측정 위치가 동일선 상에 있기 때문에 아베의 원리를 따르고 있어 측정 정도가 높다.
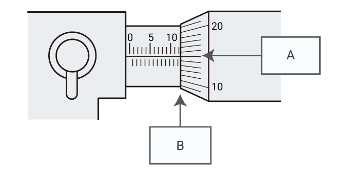
2. 마이크로미터 구조

3. 마이크로 미터 사용 법
1) 측정 전 오염을 제거하기 위해 앤빌과 스핀들의 면은 깨끗한 천으로 닦는다.
2) 왼손의 엄지와 검지 사이에 프레임의 방열판 부분을 끼우고 오른손의 엄지와 검지로 딤블을 잡는다.
3) 앤빌과 스핀들 사이에 대상 물체를 끼우고 래칫 스톱을 돌려 공회전한 지점에서 값을 측정 한다.
4) 주 눈금인 슬리브와 딤블 양쪽에서 읽는다. 슬리브의 오른쪽 끝 선에서 0.5 mm 단위까지 읽을 수 있고 딤블 중앙의 선(기준선)과 일치하는 눈금에서 0.01 mm 단위까지 읽을 수 있다.

마이크로미터 읽는법, 사용법, 종류
4. 마이크로 미터 읽는 법
슬리브의 읽기는 측정치 7.0mm, 심블의 읽기는 측정치 0.37mm로 측정치 7.37mm입니다.

슬리브의 읽기는 측정치 7.5mm, 심블의 읽기는 측정치 0.37mm로 측정치 7.87mm입니다.



5. 마치며
이것으로 마이크로미터에 대한 본 포스팅을 마친다. 측정시 궁금한 사항이나 다른 도구에 대해서도 알고 싶다면 댓글을 부탁한다.
'기술솔루션' 카테고리의 다른 글
| 아이코스 일루마 사용방법 (0) | 2023.06.11 |
|---|---|
| 구연산 사용방법, 활용법, 효능, 먹으면? (1) | 2023.06.11 |
| 자동심장충격기 사용방법 / 사용법 (Feat. 자동제세동기,AED) (4) | 2023.06.11 |
| 베어링 종류, 특징, 구조 (0) | 2023.06.11 |
| 버니어 캘리퍼스 읽는법 / 사용법 / 종류 / 특징 (Feat. 노기스) (0) | 2023.06.10 |
댓글